
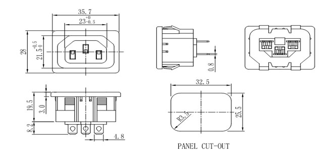
Contact Rating: 15A 125VAC 10A 250VAC
Contact Resistance: 20mΩ max.
Insulation Resistance: 100MΩ min. for DC 500V
Housing:PA66,PBT


介紹:
AC電源插座系列,單插、二合一、三合一保險插座等多種規格,大電流10A ,15A,產品通過UL VDE CCC CB等認證,常見于家用電器,音響功放機等


